Quạt Hút Xách Tay (KFG)
Quạt hút xách tay là giải pháp thông gió linh hoạt, giúp hút – thổi không khí nhanh chóng trong các khu vực thi công, hầm, kho và nhà xưởng. Với thiết kế nhỏ gọn, lưu lượng gió mạnh và độ bền cao, quạt hút xách tay đáp ứng hiệu quả nhu cầu thông gió cục bộ trong công nghiệp
Mô tả
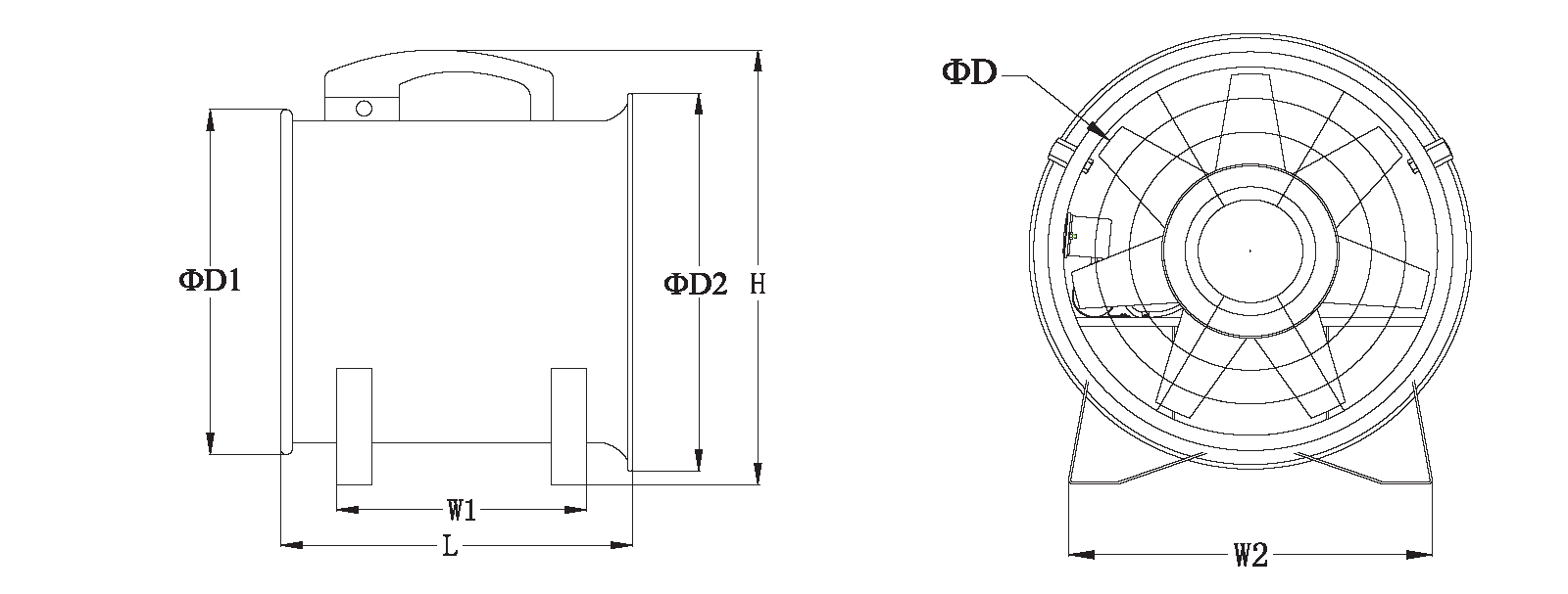
Quạt hút xách tay có kích thước nhỏ gọn, tích hợp quai xách và chân đế chắc chắn, được thiết kế để hút khí thải, hút bụi hoặc cấp thổi khí nhanh chóng tại các khu vực kín, không gian hạn chế hoặc nơi không lắp đặt được hệ thống thông gió cố định.
Cấu tạo
• Thân vỏ quạt bằng thép sơn tĩnh điện, kết cấu nhẹ, độ bền cao.
• Cánh quạt hướng trục, làm bằng hợp kim nhôm, lá cánh dày, góc cánh lớn.
• Động cơ 100% lõi đồng, kết hợp vòng bi cao cấp, công suất động cơ lớn, chịu áp lực bền bỉ. • Công tắc tích hợp trên thân quạt và vị trí tay nắm giúp tắt mở linh hoạt.
Ứng dụng
• Công trường thi công hầm, tầng hầm, khu vực kín cần cấp khí tươi.
• Hút khí nóng trong phòng máy, trạm điện, kho kín
. • Dọn bụi dọn mùi, hơi hóa chất nhẹ trong phòng sơn, kho bảo quản.
• Các khu vực tạm thời cần thông gió lưu động hoặc di dời nhanh.




