Máy Lạnh Công Nghiệp KFXZC-074L
Máy lạnh công nghiệp tủ đứng có thiết kế công suất lớn, làm lạnh nhanh, vận hành ổn định và phù hợp cho các khu vực, không gian diện tích lớn.
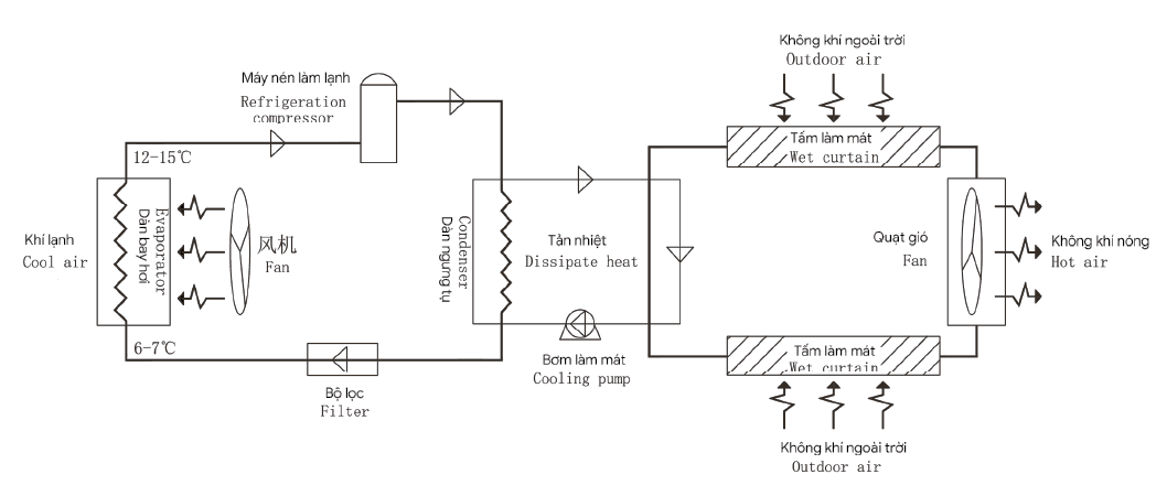
Nguyên lý hoạt động
Bằng cách kết hợp các phương thức làm mát bằng nước, làm mát bằng gió, làm mát bằng bay hơi nước và máy nén. Đầu tiên, thiết bị ngoài trời (dàn nóng) sử dụng công nghệ ngưng tụ bay hơi bằng tấm làm mát để giảm nhiệt độ nước tuần hoàn, chuyển nước nóng sau khi hấp thụ nhiệt thành nước ở nhiệt độ thường, rồi chảy qua bộ phận trao đổi nhiệt của thiết bị trong nhà (dàn lạnh) (lúc này, máy nén đã hoạt động và nén chất làm lạnh thành khí có nhiệt độ và áp suất cao). Chất làm lạnh thể khí nhiệt độ cao mang theo nhiệt lượng và tiếp tục chuyển thành chất làm lạnh thể lỏng ở nhiệt độ thường. Sau khi qua van tiết lưu, chất làm lạnh trở thành dạng lỏng áp suất thấp và nhiệt độ thấp, rồi chảy vào bộ phận bay hơi của thiết bị trong nhà (dàn lạnh) để trao đổi nhiệt với không khí nóng trong phòng và thổi ra luồng khí lạnh.
Sau quá trình trao đổi nhiệt, nước nóng được tạo ra, dưới tác động của bơm nước, dòng nước nóng được bơm trở lại thiết bị ngoài trời (dàn nóng), chảy qua tấm làm mát và bay hơi nhiệt, nhờ nguyên lý làm mát bằng gió và bay hơi, biến nước nóng thành nước thường và tiếp tục chu trình tuần hoàn. Quá trình này giúp tối ưu hóa hiệu suất năng lượng, giảm tiêu thụ điện năng và đạt hiệu quả tiết kiệm năng lượng, giảm phát thải carbon.
Sơ đồ nguyên lý hoạt động
Hệ thống điều hòa tiết kiệm điện sử dụng công nghệ bay hơi nước bao gồm các thành phần chính như máy nén, bộ ngưng tụ, van tiết lưu, dàn bay hơi và tấm làm mát,…



